扫描电镜的结构及工作原理
日期:2021-08-09
台式扫描电镜与传统的大型扫描电子显微镜相比,台式扫描电子显微镜具有体积小、操作简单、价格低廉、抽真空速度快等优点。台式扫描电子显微镜的分辨率可以满足大多数材料的显微观察。台式扫描电镜填补了光学显微镜与传统大型扫描电镜之间的分辨率的空白,可广泛应用于材料科学、纳米粒子、生物医学、食品医药、纺织纤维、地质科学等诸多领域。接下来泽攸小编将主要介绍一下扫描电镜的结构及工作原理。
扫描电子显微镜是检测样品表面形貌的大型仪器。当具有一定能量的入射电子束轰击样品表面时,电子与元素核和外层电子发生一次或多次弹性和非弹性碰撞。一些电子被样品表面反射,而其余电子则穿透样品,逐渐失去动能,在Z后停止运动,被样品吸收。在这个过程中,99%以上的入射电子能量转化为样品热能,剩余约1%的入射电子能量激发样品的各种信号。如图1所示,这些信号主要包括二次电子、背散射电子、吸收电子、透射电子、俄歇电子、电子电动势、阴极发光、X射线等。扫描电子显微镜设备使用这些信号来获取信息来分析样品。

图1入射电子束轰击样品产生的信息示意图
从结构上看,如图2所示,扫描电子显微镜主要由七大系统组成,即电子光学系统、检测、信号处理、显示系统、图像记录系统、样品室、真空系统、冷却循环供水系统、供电系统。

图2扫描电子显微镜结构图
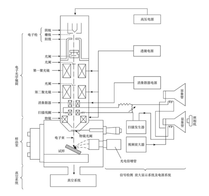
从图3中可以看出,灯丝发射的热电子在2-30KV的电压下加速,经两个聚光镜和一个物镜聚焦后,形成具有一定能量、强度和强度的入射电子束。光斑直径。在线圈产生的磁场作用下,入射电子束按一定的时间和空间顺序按光栅图案进行扫描。由于入射电子与样品的相互作用,从样品激发的二次电子被收集器收集,收集器可以收集向各个方向发射的二次电子。这些二次电子被加速射到闪烁体上,使二次电子信息转化为光信号,然后通过光管进入光电倍增管,使光信号转化为电信号。这个电信号经过视频放大器放大后输入到显像管的栅极来调制荧光屏的亮度,荧光屏上就会出现与样品对应的相同图像。当入射电子束在样品表面扫描时,二次电子发射量随样品表面的起伏(形貌)而变化。
因此,视频放大器放大的次级电子信号是交流信号。该交流信号用于调制显像管栅极的电力。结果在显像管荧光屏上呈现出不同明暗的画面,反映了样品表面起伏度(形貌)的二次电子图像。需要特别指出的是,入射电子束在样品表面的扫描与在荧光屏上的扫描要同步,即要使用同一个扫描发生器来控制,使任何物点在样品上可以保证。显像管荧光屏上的电子束正好对应点A,即物点A和像点A在时间和空间上一一对应。图像点A通常称为图像单元。显然,一幅图像是由许多图像单元组成的。
扫描电子显微镜除了检测二次电子图像外,还可以检测背散射电子、透射电子、特征X射线、阴极发光等信号图像。成像原理与二次电子图像相同。
扫描电镜观察前,应对样品进行相应处理。扫描电镜样品制备的主要要求是:尽可能保留样品的表面结构,不变形和污染,样品干燥,具有良好的导电性。

图3扫描电子显微镜成像原理图
以上就是188博金宝网页官网小编对扫描电镜的结构及工作原理的介绍,关于扫描电镜价格请咨询
作者:小攸

